
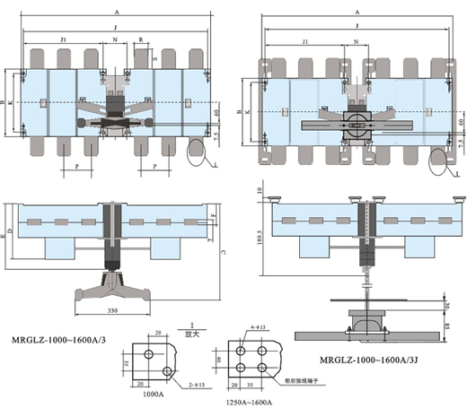
| 規格 | 型號尺寸與安裝尺寸 | |||||||||||||
| A | B | C | D | E | F | J | J1 | K | N | P | R | S | T | |
| MRGLZ-1000/3 | 836 | 200 | 242 | 140 | 168 | 48 | 811 | 353 | 175 | 105 | 120 | 60 | 56 | 8 |
| MRGLZ-1000/4 | 1100 | 200 | 242 | 140 | 168 | 48 | 1051 | 473 | 175 | 105 | 120 | 60 | 56 | 8 |
| MRGLZ-1250/3 | 836 | 200 | 242 | 140 | 168 | 48 | 811 | 353 | 175 | 105 | 120 | 80 | 78 | 8 |
| MRGLZ-1250/4 | 1100 | 200 | 242 | 140 | 168 | 48 | 1051 | 473 | 175 | 105 | 120 | 80 | 78 | 8 |
| MRGLZ-1600/3 | 836 | 200 | 242 | 140 | 168 | 49 | 811 | 353 | 175 | 105 | 120 | 80 | 78 | 10 |
| MRGLZ-1600/4 | 1100 | 200 | 242 | 140 | 168 | 49 | 1051 | 473 | 175 | 105 | 120 | 80 | 78 | 10 |

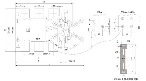
規格型號 | A | B | D | G | J | R | T | Y | Y1 |
MRGLZ-1000/3 | 578 | 312 | 378 | 476 | 343 | 60 | 8 | 92 | 248 |
MRGLZ-1000/4 | 698 | 312 | 498 | 596 | 463 | 60 | 8 | 92 | 248 |
MRGLZ-1250/3 | 578 | 356 | 378 | 476 | 343 | 80 | 8 | 92 | 248 |
MRGLZ-1250/4 | 698 | 356 | 498 | 596 | 464 | 80 | 8 | 92 | 248 |
MRGLZ-1600/3 | 578 | 356 | 378 | 476 | 343 | 80 | 10 | 93 | 249 |
MRGLZ-1600/4 | 698 | 356 | 498 | 596 | 463 | 80 | 10 | 93 | 249 |
